Как правильно самостоятельно установить сигнализацию на автомобиль
Каждый автовладелец непременно задумывается о том, как обезопасить свое транспортное средство от незаконного посягательства, то есть угона и взлома. Наиболее оптимальным вариантом защиты будет установка сигнализации на авто, тем более это не так дорого. Стоит отметить, что большинство специалистов утверждают, что в установке сигнализации на машину нет абсолютно ничего сложного. Поэтому, установка автосигнализации своими руками это посильное дело для любого человека. Если владелец транспорта умеет обращаться с отвёрткой, немного понимает в электронике, то используя простую пошаговую инструкцию можно быстро и без особых проблем с этой задачей справиться.
Выбор сигнализации
Первое что надо решить, так это определиться с выбором самой сигнализации. Учитывая то, что установка автомобильной сигнализации потребует ряда инструментов, то необходимо собрать все нужное для процесса монтажа. Как выбрать сигнализацию можно посмотреть на следующем видео:
Также вы можете ознакомиться с актуальным рейтингом лучших автосигнализаций 2017 года, пройдя по ссылке — http://automonth. ru/rejting-luchshih-avtosignalizacij/ .
Для выполнения работ потребуется ряд инструментов
Если принято решение устанавливать сигнализацию самому, то потребуется ряд инструментов. Сама установка сигнализации на автомобиль не требует особых приспособлений или инструментов, все необходимое обычно есть дома у каждого мужчины.
Для монтажа сигнализации потребуются:
- Крестовая отвертка. Она потребуется для того, чтобы снять панели внутри автомобиля.
- Ключ на 10 с воротком. Служит для тех же задач что и отвертка.
- Специальный прибор для качественной зачистки проводов. Если нет такого прибора, можно использовать обычный нож или плоскогубцы.
- Изолента высокого качества, черного цвета.
- Двухсторонний скотч.
- Специальный прибор для измерения напряжения сети, чаще всего мультиметр.

- Поролон. Используется для того, чтобы обернуть им блок сигнализации.
- Сама сигнализация.
Установка
Прежде всего, перед тем как приступить к установке сигнализации на авто своими руками, необходимо определиться с местом, где будет располагаться центральный блок системы. Оптимальный вариант для установки находится в полости за приборной доской. После того, как определились с местом можно приступать к процессу монтажа.
Для начала, необходимо снять две панели. Они обычно крепятся на клипсах или саморезах, их необходимо открутить и снять сами панели, рулевую и приборную. Далее нужно снять нижнюю накладку у рулевой колодки. Далее установщик получает доступ к необходимой части, а именно к замку зажигания. Важно соблюдать технику безопасности. Прежде чем установить сигнализацию на автомобиль нужно взять с собой немного старых тряпок. Потому как разъемы с приборной панели нельзя опускать на открытые металлические участки кузова. Соприкасаясь с металлом, может произойти замыкание. Поэтому этого делать не стоит. Лучше всего обмотать их сразу же заготовленной заранее изолентой. Далее можно переходить к подключению проводов самой сигнализации.
Подключение сигнализации к панели управления
Итак, продолжается установка сигнализации на машину самостоятельно. Приступаем к подключению ее к панели управления. Для этого необходимо подключить выходы сигнализации на поворотники или же на габариты, также можно провести подключение на индикатор открытой двери или на контроль двигателя. Все остальные автомобильные сигналы поступают в электронном виде. Далее нужно найти лампочки поворотов на обратной панели и можно приступать к подключению. На основной плате лампочек есть специальные дорожки. Необходимо найти контакт, он обладает мощностью в 12 В. После того ка контакт найден, нужно проверить его работоспособность. Для проверки цепляем разъем к самой дорожке, включаем поворот и проверяем напряжение при помощи специального устройства, например мультиметра.
Важно помнить, что установка сигнализаций на автомобили дело крайне чувствительное, необходимо соблюдать осторожность. Поэтому никогда не нужно искать необходимые провода, по так называемому принципу «лампочки». Это может спровоцировать замыкание подушек безопасности, может выйти из строя реле генератора, а также к другим подобным вещам. Необходимо помнить, что самостоятельная установка автосигнализации дело, требующее внимания и нужно соблюдать правила безопасности. Далее так же само ищем провод с отрицательным зарядом. Этот провод должен реагировать в случае открытой двери. На самом контакте напряжение должно быть отрицательным, минус 12 В. Если дверь закрыть, то напряжение будет показывать 0.
Таким же образом ищем и провод контроля запуска мотора машины. Если эта задача возложена на тахометр, но необходимо знать, что он не поддается проверке. Там эта функция выполняется несколькими проводами. Далее проводим те же действия с лампой зарядки машины и аварийного давления двигателя автомобиля. В целом установить сигнализацию самому не так то и сложно, важно разобраться в деталях процесса.
Подключение к замку
Дальнейший этап установки авто сигнализации заключается в подключении ее к центральному замку. Для этой цели нужно найти реле включения замка (проверить его можно путем открывания и закрывания самого замка). Далее проводим такую же процедуру, какая проводилась во время подключения панели управления автомобиля.
Инсталляция
Продолжаем далее, установка автосигнализации самостоятельно потребует того, что необходимо обмотать жгут проводов изолентой. Оптимальным вариантом является изолента черного цвета, ее будет не так видно, как синюю или другого цвета. Это делается с двумя целями. Это даст хорошую изоляцию, и создаст видимость заводской проводки, что тоже немаловажно.
Помните, что замыкать необходимо только со стороны разъема самой сигнализации. Далее проводку нужно подключить к блоку самой сигнализации и аккуратно спрятать провода. Далее нужно соединить провода машины и сигнализации. Для этого можно использовать особые зажимы, но можно использовать только нож и зажигалку. Дальнейшим шагом будет протяжка кабеля сигнализации под капотом. Речь идет о проводе самой сирены и концевике. Провода уже пропущены, можно прикреплять к ним и сирену. Второй кабель сирены нужно прикрепить к массе. Сирена устанавливается в штатное отверстие, для крепления используют болт М6. Концевик нужно закрепить на раме. Плюс надо подключать к тому проводу, на котором в любом положении будет необходимое напряжение в 12 В. Эффективная автосигнализация своими руками почти установлена.
Блокировка двигателя
Далее необходимо выполнить блокировку двигателя. Для этого используется провод зажигания. Для того, чтобы его найти необходимо прозвонить разъем замка с 6 контактами, снимать его нет необходимости. Далее необходимо найти провод, в котором напряжение будет 12В, когда ключ в замке.
Видео — установка сигнализации новичками :
Для того чтобы правильно определить именно этот провод, его надо вытянуть из самого замка и перемычкой замкнуть. Если машина заведётся, то нужно сразу снять перемычку, это и будет тот самый кабель. Можно узнать детали процесса, перед тем как установить автосигнализацию на машину. Далее нужно соединить провода самой сигнализации и зажигания.
Процесс закончен. Можно заметить, что зная как подключить автосигнализацию правильно, выполнить все пункты не так и сложно. Необходимо лишь не бояться и потратить время для качественного выполнения монтажа.
как самостоятельно поставить сигнализацию на авто с автозапуском
шерхан магикар 5 настройка времени на брелке
старлайн в9 как привязать брелок
как настроить starline на автозапуск
пульт от сигнализации машины
восстановление брелка сигнализации
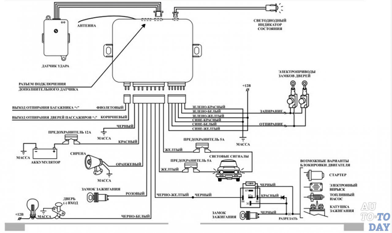
Установка и подключение сигнализации на авто своими руками
Автомобильная сигнализация защищает машину от посягательств мошенников, помогая водителю вовремя отреагировать на сигнал и предотвратить её угон.
При попытке вскрыть автомашину противоугонное устройство заблокирует двери, издавая громкие звуки, которые слышны на расстоянии, так что вой сирены сразу отпугнёт потенциальных угонщиков. И даже в том случае, если какие-нибудь «умельцы» взломают дверной замок, завести двигатель не получится, поскольку его запуск также будет заблокирован противоугонной системой. Для оборудования авто противоугонным устройством можно обратиться к специалистам по техобслуживанию в автосервис, но это будет стоить немалых денег. Поэтому каждый водитель решает сам, тратиться ему на установку в автосервисе или подключить сигнализационную систему в машину своими руками. Для выбирающих второй вариант, с помощью пошаговой инструкции и прилагаемым схемам монтажа, эта техническая процедура будет досягаемой и понятной.
Назначение и устройство автомобильной сигнализации
Для начала поймём, как устроена сигнализация. В комплектацию простейшей сигнализационной системы входят следующие основные элементы:
- Центральный блок. Он является центром противоугонной системы, отвечающим за её работу. Представляет собой микросхему, осуществляющую приём, обработку и воспроизведение сигнала. Располагается, как правило, под панелью приборов. Это место удобно тем, что мало заметно для посторонних глаз и там находится общая электропроводка, к которой легче всего подвести сигнализацию, чтобы не протягивать провода через автомобильный салон.
- Антенна. Имеет вид небольшой коробки. Обычно размещается внутри салона под зеркалом заднего обзора. Установка антенны требует соблюдать правило, при котором кузов автомобиля не должен с ней контактировать, а идущие к антенне провода должны быть не сильно натянуты и иметь некоторый запас.
- Датчик удара. Прибор по виду похож, как и антенна, на коробочку со специальными лампочками. Устанавливается по центру пола в салоне и жёстко крепится к кузову автомобиля. Это место позволяет распределить работу датчика равномерно по всему автомобильному кузову.
Датчик имеет регулировочные винты для правильной настройки чувствительности прибора. - Аварийная кнопка. Напоминает дверной звонок, но меньший по размеру. Кнопка имеет скрытое расположение и в то же время она должна иметь возможность для удобного нажатия. Она полностью отключает сигнализацию в том случае, если потеряется брелок с пультом управления либо произойдёт сбой системы, при которой не запустится двигатель и двери автомобиля будут заблокированы.
- Сирена. Название этого устройства говорит само за себя. Для сирены выбирают место под капотом автомобиля и располагают так, чтобы её чашечка смотрела вниз, иначе внутрь прибора может попасть влага. Проводка сирены должна быть скрытой, чтобы к ней было не подобраться ни с какой стороны, даже если она проходит под автомобилем.
Фотогалерея: элементы сигнализационной системы
Помимо основных функций, сигнализационная система автомобиля может иметь некоторые дополнительные функции:
- двустороннюю связь, когда на брелоке есть экран, транслирующий на расстоянии то, что происходит с автомашиной;
- обратную связь посредством доставки сообщений на сотовый аппарат автовладельца или голосовой информации на пейджер при наступлении тревожного сигнала о состоянии автомобиля;
- автозапуск, когда двигатель можно запустить прямо с брелока;
- программное управление замками на дверях автомобиля с помощью дистанционного пульта;
- другие функциональные возможности, обеспечивающие комфортное использование противоугонного устройства.
Умный брелок
Большинство современных автосигнализационных систем управляются посредством брелока-радиопередатчика со встроенным импульсным модулем. С брелока подаётся команда к центральному блоку на включение и отключение сигнализации и другие запрограммированные действия, например, запуск двигателя и отпирание/запирание дверей. Работа брелока основана на том, что одновременно с подачей команд изменяются коды доступа как на брелоке, так и на всей сигнализационной системе.
Перекодирование происходит в три этапа:
- Брелок вступает во взаимодействие с системой охраны.
- На основании поступивших данных от центрального блока к брелоку поступает сигнал.
- Одновременно с подачей сигнала в схеме брелока меняется кодировка системы охраны.
Управление сигнализацией с брелока происходит при помощи нескольких кнопок, от двух до пяти, в зависимости от вида и модели брелока. Он может быть оснащён небольшим жидкокристаллическим экраном, но бывает и без него. К брелоку принято подвешивать ключи от машины, он может иметь такие функции, как часы с будильником, таймер и другие полезные дополнения.
Управление сигнализацией с брелока производится при помощи специальных кнопокОдной из важных и полезных функций, встроенных в схему брелока-передатчика, является модуль дистанционного запуска двигателя автомобиля. Рассмотрим её подробнее.
Функция автозапуска
Автоматический запуск автомобиля особенно актуален в холодное время года, когда из-за низкой температуры воздуха автомашине требуется предварительный прогрев двигателя перед тем, как водитель сядет за руль. Двигатель начинает работать по сигналу, поступающему с центрального блока на модуль автозапуска сигнализации. Сигнал может идти как с пульта брелока, так и с кнопки, установленной на приборной панели. Эта опция, по сути, заменяет поворот ключа зажигания водителем.
Следует помнить, что перед дистанционным автозапуском двигателя автомобиль необходимо снять с охраны, иначе сработает звуковой сигнал сирены, поскольку сигнализация отреагирует на автозапуск, как на попытку угона машины. Некоторые сигнализационные устройства с наличием обратной связи поддерживают дополнительные модули автозапуска и позволяют дистанционно заводить двигатель, не снимая с автомобиля охрану.
Дистанционный автозапуск пользуется успехом у водителей, так как даёт возможность завести обогрев двигателя прямо из дома. Но у брелока всё же ограничены возможности радиуса действия.
Поэтому автозапуск работает не дальше двора, в котором припаркован автомобиль. Но завести двигатель дистанционно, если машина находится в подземном гараже, из окна своей квартиры вряд ли удастся.
GSM-модуль
Сигнализация с модулем GSM устроена таким образом, что информация о тревожном состоянии автомобиля проходит через каналы сотовой связи на телефон владельца. Радиус действия информационной сети ограничен зоной покрытия сотового оператора. Оповещение о тревожном случае производится посредством доставки SMS-сообщения на номер телефона, находящийся в памяти системы, в режиме реального времени. При этом автовладелец может находиться далеко от своей машины и контролировать её на расстоянии.
Для функционирования GSM-устройства в блок управления сигнализации вставляется SIM-карта оператора сотовой связи. Таким образом, происходит процесс обратной связи центрального блока автомобиля с его владельцем, как между двумя телефонными абонентами. Доставка сообщения на телефон происходит за несколько секунд, так что реакция на сигнал тревоги автовладельцем может успеть предотвратить попытку угона машины даже на дальней дистанции.
Важно, что при помощи модуля GSM можно отследить местонахождение и маршрут передвижения автомобиля даже в том случае, если злоумышленник сумеет его угнать.
Установка на авто своими руками
Процесс установки сигнализации на автомобиль по силам практически каждому автолюбителю, но требует ответственного подхода к этой задаче. Остановимся на некоторых моментах, которые следует учитывать перед началом монтажа сигнализации, чтобы избежать серьёзных ошибок:
- Процесс установки по силам практически каждому автолюбителю, но требует ответственного подхода к этой задаче. Остановимся на некоторых моментах, которые следует учитывать перед началом монтажа сигнализации, чтобы избежать серьёзных ошибок:
- Из всего многообразия брендов сигнализации существует столько же разнообразных схем, на которые нужно ориентироваться при монтаже охранного устройства.
Схема является главным руководством к действию. - Если автосигнализация сделана собственными руками, при её подключении важно понимать, куда и какие провода надо подсоединять.
- При монтировке устройств с GSM-модулем необходимо тщательно изучить, какие функции выполняют те или иные датчики, и правильно выполнить программирование системы.
- Заранее подготовить все необходимые инструменты и материалы, которые понадобятся для электромонтажных работ.
Инструменты и материалы для монтировочных работ
До начала монтировочных работ надо подготовить и разложить перед собой все компоненты сигнализации. Для её монтажа нужно иметь под рукой следующие инструменты и материалы:
- крестообразная отвёртка, чтобы откручивать панели;
- ключ торцевой на 10 мм с воротком;
- обычный нож или плоскогубцы, чтобы зачистить провода;
- липкая изоляционная лента чёрного цвета;
- моток двустороннего скотча;
- прибор для замера напряжения или мультиметр;
- кусок поролона средней толщины;
- обрезки дополнительных проводов на случай удлинения электрошнура.
Определяем место установки сигнализации
Начнём с выбора места посадки центрального блока. В качестве удачной площадки для него можно выбрать область позади приборной панели. Перед тем как посадить туда блок, его надо обернуть поролоном, затем примерить, насколько это место будет удобно для его фиксации. Важно, чтобы блок не мешал другим приборам. Для правильной установки центрального блока стоит обратить внимание на несколько простых правил:
- Располагать блок предпочтительно внутри салона, в незаметном для посторонних глаз месте, чтобы злоумышленникам к нему было трудно подобраться.
- Возле блока не должно быть трущихся о него предметов и деталей, например, тросики, тяги и др.
- Монтировать блок не следует рядом с системой отопления и возле источников повышенной влаги — кондиционеров, воздуховодов и пр.

- Избегать непосредственной близости блока с антеннами, радиостанциями, сотовыми телефонами.
Для датчика удара оптимальным местом будет также салон автомобиля, и устанавливать его лучше по центру. Здесь прибору будет обеспечена одинаковая чувствительность к ударам с разных сторон машины. Крепить датчик надо жёстко, чтобы избежать излишних срабатываний сигнализации по любому ложному поводу, например, при лёгком порыве ветра или от звука близко проезжающих грузовых машин. Место установки датчика должно быть труднодоступным и незаметным. Это может быть площадка позади ручного тормоза.
Место установки датчика удара должно быть труднодоступным и обеспечивать одинаковую чувствительность к ударам с разных сторон автомобиляМесто для расположения сирены определяют в подкапотном пространстве. Звуковой прибор можно поместить там, где крепятся дворники, прямо под ними. Провода сирены совмещаем с проводами дворников и прокладываем рядом. Для этого крепление дворников надо разобрать, а после установки сирены снова собрать и закрепить болтами. Сирену надо устанавливать чашкой вниз, чтобы в ней не скапливалась влага. Местом монтировки сирены может быть моторный отсек. Из салона протягиваем провода в подкапотную область, потом прикрепляем силовой кабель ко входу со знаком плюс и соединяем с проводом, по которому идёт подача напряжения во время поворота ключа зажигания в центральном замке.
Сирену располагают в подкапотном пространстве чашкой вниз, чтобы в ней не скапливалась влагаКак правильно подключить
Установив в выбранном месте центральный блок сигнализации переходим к её подключению. Здесь придётся руководствоваться схемой. Для разных типов сигнализации предусмотрено своё место управления блоком центрального замка. Поскольку у каждого типа замка своя схема подключения, будем рассматривать разные виды центральных замков для выборочных моделей некоторых популярных автомобилей.
- ЦЗ управляется положительным импульсом. Эта схема применяется в автомобилях БМВ, «Рено» и некоторых моделях «Форд». Методика подключения следующая. Берём обычный пробник с лампочкой и ищем провод, при подаче на который плюса двери будут закрываться. Если выходы слаботочные, то можно подсоединяться просто к найденным проводам, используя соответствующие диоды. Если выходы силовые, то разомкнутые контакты подключаются на плюс, замкнутые контакты не подключаются, а общие контакты — к контактам, которые мы обнаружили.
- ЦЗ управляется отрицательным импульсом. Эту схему используют все автомобили «Опель», «Тойота», «Лада Гранта», «Лада Калина», «Лада Приора», ВАЗ 2114, ВАЗ 2110–2111 со штатным центральным замком. Ищем минусовой провод управления и подаём на него минус. Если выходы слаботочные, то можно подключаться просто к найденным проводам, используя соответствующие диоды. Если выходы силовые, то разомкнутые контакты подключаются на минус, замкнутые контакты не используются, а общие контакты — к тем проводам, которые были обнаружены.
- ЦЗ с управлением переменной полярностью. Большая часть американских автомобилей укомплектована именно этой системой. Особенность подключения — соединение не с сигнальным проводом, а с силовым. То есть, по такой же схеме ищем не один, а два провода, которые управляют мотором актуатора. При закрытии замка ток проходит по одному проводу, а при открытии — по второму. Подключаться придётся не к блоку управления, а непосредственно к проводам, которые идут из двери. Поэтому их нужно будет разрезать и впаивать сигнализацию в разрыв. В такой схеме подключение будет следующим — разомкнутые контакты идут на плюс, замкнутые идут на кнопку управления, а общие — на актуатор.
Чтобы установка автомобильной сигнализации прошла успешно, надо правильно соединить каждый выход устройства с массой машины, с поворотниками, с лампочками открывания дверей, с проводом запуска мотора.
При подключении к поворотникам находим на оборотной стороне капота лампочки, отвечающие за включение поворотов. Используя мультиметр, пробираемся к проводу, питающему лампочки током.
Затем находим отрицательный провод, соединённый с лампочкой открывания дверей. При открытии двери мультиметр покажет 12 В, а при её закрытии на приборе высветится нулевая отметка.
В некоторых автомобилях контролем запуска двигателя управляет тахометр. К этому прибору присоединяем три провода — первый с плюсом, второй с минусом, третий с отрицательным импульсом. Подключение проводим к контакту со значком IG. Аналогичным способом соединяем сигнализацию с лампочками аварийного давления.
Доводчики стёкол и контактные датчики
Чтобы дверные стёкла могли закрываться автоматически во время постановки автомобиля на охрану используют так называемые доводчики. Они представляют собой небольшой блок, который располагается внутри ближайшей к водителю двери. Это объясняется тем, что водитель управляет всеми необходимыми кнопками, которым необходимо быть всегда под рукой. После монтажа этого блока больше никакие провода протягивать из двери и выводить наружу не надо. Устанавливать блок желательно поближе с кнопками управления стеклоподъёмниками.
При постановке на охрану используют доводчики стёкол, которые монтируют внутри водительской двериКузовная область автомобиля охраняется различными контактными датчиками:
- концевыми выключателями;
- кнопочными выключателями;
- микропереключателями.
Датчик наклона
Срабатывает в тот момент, когда машина наклоняется, например, во время её погрузки на платформу эвакуатора или при поднятии автомобиля домкратом.
Датчик ускорения
С помощью его включается реакция на неестественное положение кузова, например, при сильном порыве ветра, пониженном давлении в шинах или просадке грунта.
Датчик движения
Благодаря ему фиксируются любые перемещения в салоне автомобиля.
А также происходит реакция на движения, происходящие рядом с автомашиной на улице.
Подключение к багажному и капотному концевикам
Производить подключение сигнализации к автомобилям, в которых предусмотрены штатные конечные выключатели капота и багажника, следует согласно приведённой ниже схеме.
На этой схеме наглядно показано, как подключить сигнализацию к концевикам капота и багажника автомобиляНа схеме показана последовательность проводки сигнализации к багажному и капотному концевым отсекам. В разрыве провода концевиков предусмотрен диод, необходимый в электрооборудовании автомобиля особенно там, где бывает задержка освещения, проходящего через эти цепи.
Проводку дверных замков, как и всю другую проводку сигнализации, не следует производить снаружи. Во-первых, это выглядит не эстетично. Во-вторых, провода могут подвергнуться внешним воздействиям. В-третьих, наружное расположение проводки может облегчить задачу нейтрализации охранной защиты для потенциальных угонщиков.
Соединительные концы проводов надо обязательно оборачивать изоляционной лентой. Это убережёт проводку от короткого замыкания, из-за которого может произойти самопроизвольное отпирание дверей и загореться электропроводка.
Монтаж устройства с функцией автозапуска
К установке сигнализации с автозапуском двигателя требуется отнестись с особым вниманием. Вместе с прилагаемой к устройству инструкцией и схемой монтажных работ следует руководствоваться дополнительными правилами:
- центральный блок надо устанавливать в таком месте, где нет прямого контакта с влагой, близких источников тепла и радиоволн;
- во избежание изгиба и обрыва проводов, их рекомендуется продевать в специальные резиновые трубки;
- проводку нельзя производить в местах с повышенной влажностью;
- недопустимо, чтобы разъёмы проводов соприкасались с металлическими деталями кузова;
- скрученные в жгут провода требуется обматывать качественной изолентой.

Сигнализацию с обратной связью и автозапуском при желании может установить практически любой владеющий навыками монтажных работ автолюбитель. К каждому устройству прилагаются инструкции и схемы. После монтировочных работ охранной системы необходимо провести проверку функционирования:
- три сигнала — установка прошла неудачно;
- если только один сигнал — всё хорошо.
Важно добавить, что установка сигнализации с автозапуском имеет сложный процесс. Если собственного опыта по монтажным работам подобных устройств недостаточно, лучше не рисковать. Хотя в комплекте с сигнализацией имеется необходимый инструктаж, во время монтажа могут произойти конфликты внутри всей охранной системы, с которыми сумеет разобраться только специалист.
Видео: установка сигнализации на «Ладу Гранту» с автозапуском
Подключение световой сигнализации
Световая сигнализация — это мигание светом передних или задних фар. Её можно организовать двумя способами:
- Подключаясь к сигналам по направлению поворота надо подвести проводку к выключателю аварийной сигнализации, там соединяются провода бортовых указателей поворотов.
- Подключаться к основным фарам надо через контакты реле ближних световых сигналов, то есть не напрямую к проводу соединения с фарами, а с помощью реле.
Настраиваем на стабильную работу
После установки и подключения необходимых компонентов противоугонной системы необходимо произвести её настройку. Эта работа заключается в регулировке датчика удара. На датчике располагаются специальные регулировочные винты, которыми настраивается чувствительность сигнализации к ударам и другим воздействиям относительно корпуса автомобиля.
Чтобы правильно отрегулировать сигнализацию, произведём следующие действия:
Отключаем аккумулятор.
Выключаем режим охраны и входим в режим программирования.
Следуя инструкции, вносим необходимые изменения, которые устройство сохраняет в своей памяти.
Шкала чувствительности имеет несколько уровней, обычно их бывает десять.
Регулировку производим при помощи кнопок или винтов, смотря какого типа сигнализация установлена.
Если на шкале видим ноль, это означает деактивацию датчика.
Если цифра равна десяти, значит, чувствительность максимальная.
По заводским настройкам шкала чувствительности имеет примерно 4-й или 5-й уровень.
Регулируем датчик, постепенно уменьшая или увеличивая степень восприятия.
Пробуем несколько раз слегка ударить ладонью по кузову.
Определяем степень силы воздействия, при которой срабатывает датчик.
Если необходимо, проводим повторную проверку для более точной корректировки.
Видео: автосигнализация своими руками
https://youtube.com/watch?v=N2qpDNnMTqM
На этом мы завершаем обзор установки, подключения и регулировки автомобильной сигнализации и приступаем к практическим действиям.
Даже если автомобиль постоянно отдыхает в гараже или на охраняемой парковке, это не панацея от угона или взлома. К сожалению, угонщики очень изобретательны. Угнать авто могут и со стоянки, и даже с хозяином внутри салона. Случается, что машину угоняют среди дня на оживлённой трассе, выкидывая из неё водителя. В том числе воруют и грабят автомашины, которые оснащены новейшей сигнализацией. И всё же, чем сложнее система охранной защиты, тем менее вероятно, что ваш железный конь станет добычей хищников. Поэтому не стоит пренебрегать современными устройствами сигнализации, чтобы сохранить свой автомобиль целым и невредимым. Тем более установить охранную защиту можно не только с помощью автосервиса, но и собственными руками.
Творческого настроя, успешной работы и удачного вождения!
Установка автосигнализации своими руками: советы
Обычно установкой сигнализации занимается центр сервисного обслуживания авто. Чтобы сэкономить деньги, можно самому выполнить данную операцию. Но что из себя представляет установка сигнализации на авто своими руками? О каких нюансах нужно знать? И какие инструменты понадобятся для установки? Ниже мы рассмотрим эти вопросы.
Основные моменты
Об установке нужно знать следующее:
- Процедура установки в целом достаточно сложная. При неправильном подключении сигнализация попросту не будет работать. В случае установки GSM ваша задача усложняется, поскольку эту систему придется еще и самостоятельно программировать. Поэтому перед установкой нужно взвесить свои силы; если вы чувствуете, что не справитесь, следует обратиться за помощью к опытному специалисту.
- Сегодня на рынке можно встретить такие системы, как Шериф, Томагавк и другие. Противоугонные системы очень похожи друг на друга, однако изготавливаются из комплектующих разного качества, что может повлиять на эксплуатационные свойства устройства.
- Существует несколько схем монтажа противоугонных систем. Поэтому при подключении следует учитывать тот факт, что в разных системах разъемы одного и того же цвета могут использоваться для совершенно различных целей.
- Желательно не использовать самодельные противоугонные системы, поскольку даже опытные автомобилисты при изготовлении таких устройств допускают ошибки, которые могут привести к серьезным последствиям (порча автомобильного оборудования, короткое замыкание и так далее).
Материалы и инструменты
Для самостоятельной установки вам понадобятся следующие инструменты и материалы:
- Мультиметр. Этот прибор необходим для замера напряжения и проводимости на различных участках цепи. Можно использовать как стрелочный, так и электронный мультиметр.

- Провода. Необходимо запастись дополнительными проводами, так как тех, что поставляются в комплекте, может не хватить.
- Также понадобится нож, изолента, специальные твердые трубки, а также двусторонний скотч.
- Еще вам понадобится поролон. Он нужен для того, чтобы надежно зафиксировать противоугонный блок, а также защитить его от воды и пыли.
Установка блоков автосигнализации
Перед монтажом необходимо определиться с местом установки блоков сигнализации:
- Все блоки должны быть расположены так, чтобы на них не попадала жидкость.
- Это же самое правило справедливо и относительно перепадов температур. Резкие перепады могут повредить автосигнализацию.
- Разъемы автосигнализации должны быть ориентированы вниз или вбок. Подводящие провода должны слегка провисать.
Установка электропитания
Об электропитании нужно помнить следующее:
- Жгуты нужно обмотать изолентой. Другой вариант – спрятать жгуты внутри гофротрубы. В случае попытки угона преступник сразу же захочет отключить сигнализацию; если жгуты будут спрятаны, то на их поиск понадобится больше времени.
- Все провода, которые располагаются рядом с подвижными местами авто, необходимо защитить при помощи твердых защитных трубок.
- Монтаж и разводку необходимо выполнить с учетом конструкции авто. Например, сигнализационные провода, проходящие от салона к багажнику, должны монтироваться там же, где и стандартная заводская проводка.
Подключение центрального блока
Центральный блок нужно монтировать так:
- Блок желательно установить позади или под главной панелью авто. С помощью такой установки вы сэкономите внутреннее пространство автомобиля, а также усложните жизнь потенциальному угонщику.
- Крепить блок нужно с помощью хорошего двустороннего скотча.
- Подключать центральный блок к проводам нужно после монтажа всех кабелей.
- Не следует устанавливать центральный блок в моторном отделе, под капотом и на электронных узлах авто.

Установка автозапуска
Также нужно подключить, настроить и проверить автозапуск, который блокирует систему в случае несанкционированного доступа:
- Автозапуск подключается и проверяется только после монтажа всех проводов и систем.
- Проверьте работу мотора. Если у вас автоматическая коробка передач, установите рычаг в положение «парковка», удаленно заведите мотор и активируйте тормоз – если вы все сделали правильно, то двигатель должен сразу же заглохнуть. Если у вас ручная коробка передач, установите рычаг в нейтральное положение, запустите мотор удаленно, а потом снимите автомобиль с ручного тормоза – если вы все сделали правильно, то двигатель должен сразу же заглохнуть.
- Также следует проверить работу мотора при открытии багажника. Для этого откройте капот, установите коробку передач в положение «парковка», а потом удаленно запустите двигатель – при правильном монтаже и настройке двигатель должен сразу же заглохнуть.
Настройка световых и звуковых сигналов
Выполните настройку световых и звуковых сигналов:
- Источники световых и звуковых сигналов желательно установить согласно инструкции.
- Источник звука рекомендуется устанавливать в моторном отделе авто; рядом с ним не должно быть электрических цепей авто.
- Источник звука не должен быть направлен вверх – это приведет к рассеиванию звуковых волн, что снизит эффективность сигнализации.
Центральный замок
Теперь вам нужно подключить центральный замок. Существует два основных типа центральных замков:
- Замки с положительным или отрицательным управлением. Необходимо провода замка подключить к сигнализации. Следует при помощи мультиметра найти нужные провода и подключить их напрямую к реле запирания дверей согласно полярности.
- Замки с переменным управлением. При помощи мультиметра нужно найти силовые провода и подключить к ним замок напрямую. Подключение можно выполнить только при помощи дополнительного реле, к которому будут подключены провода (не забывайте про полярность).

Датчики удара и наклона
Следует также установить специальные датчики удара и наклона, которые будут включать источник звуковых и световых сигналов в случае несанкционированного доступа:
- Датчики нужно ставить на жесткую ровную поверхность. Прикрепить датчики можно при помощи скотча либо 2–3 винтов.
- Нельзя ставить датчики на пластмассовую поверхность. Дело в том, что при нагреве или охлаждении таких поверхностей может произойти небольшая деформация пластмассы, что приведет к ложному срабатыванию датчиков и сигнализации в целом.
- Многие датчики оснащаются специальным регулятором, с помощью которого можно настроить чувствительность устройств.
- Проверьте работу датчиков. Для этого нанесите сильный удар по бамперу авто – должен сработать звуковой и световой сигнал. Также нанесите и легкий удар – сигнализация должна подать звуковое предупреждение.
Секретные маячки слежения
Многие авто оснащаются секретными GSM-маячками, которые следят за местонахождением машины:
- Обычно самостоятельная установка маячка не требуется, поскольку в большинстве случаев маячки устанавливаются в автомобильном салоне при покупке.
- Маячок обычно прячется под обшивку.
- Периодически маячок будет оповещать владельца о местонахождении автомобиля. Также оповещение придет в случае срабатывания сигнализации.
- Оповещение о местонахождении авто происходит через SMS-сообщения. В сообщении указываются точные координаты местоположения авто (точность координат составляет от 10 метров до 2 километров в зависимости от типа местности). При помощи SMS-сообщений можно также сменить режим оповещения.
Ошибки, которые могут возникнуть при монтаже
Теперь нужно проверить работу и правильность монтажа, поскольку при установке противоугонной системы могли быть допущены ошибки:
- Провода неправильно соединены друг с другом, из-за чего не работают некоторые элементы сигнализации.

- Центральный блок сигнализации расположен на видном месте. В таком случае злоумышленник в случае взлома может быстро отключить сигнализацию.
- Автозапуск не блокирует двигатель.
- Неправильно подключен центральный замок.
- Неправильно подключены источники звуковых и световых сигналов.
- Не проверена корректность работы маячков слежения.
- Свободно открывается багажник.
- Периодически включается световая сигнализация на несколько секунд.
- Из-за неправильной установки датчиков удара и наклона происходит ложное срабатывание сигнализации.
Проверка работы сигнализации
Чтобы проверить работу сигнализации, выполните следующие действия:
- Сядьте в машину, откройте окна и включите сигнализацию. Попытайтесь открыть двери – сигнализация должна моментально среагировать на это.
- Сядьте в машину, включите сигнализацию, попытайтесь завести двигатель. Если установка выполнена правильно, то сигнализация должна заблокировать работу двигателя.
- Проверьте работу других систем (громкость звука, корректность работы центрального замка и так далее).
Видео
Для наглядности вы можете посмотреть видео, где мастер рассказывает о самостоятельном подключении сигнализации.
Заключение
Подведем итоги. Установить сигнализацию можно и самому. Однако при монтаже и настройке защитной системы нужно учесть множество деталей и нюансов. Если вы сомневаетесь в своих силах, следует обратиться в центр сервисного обслуживания авто.
Вконтакте
Google+
Одноклассники
Мой мир
время установки сигналки и инструкция как правильно установить автосигнализацию своими руками с видео
Противоугонная система является неотъемлемым компонентом любого современного автомобиля.
Ее наличие позволяет обеспечить сохранность транспортного средства и предотвратить взлом автомобиля для угона. При монтаже системы надо правильно установить точки подключения сигнализации с автозапуском. Подробнее об этом мы расскажем ниже.
Что такое точки подключения
Предназначение сигнализации с автозапуском или без нее заключается в минимизации рисков, связанных с кражей и взломом транспортных средств. Принцип действия противоугонной системы заключается в том, чтобы создать вокруг автомобиля охранный контур. Точки подключения автосигнализации представляют собой контроллеры и датчики, интегрирующиеся в противоугонные установки и образующие защитный комплекс.
Датчики используются для выполнения разных функций:
- определение физического воздействия на кузов машины;
- движения в салоне;
- наклона и т. д.
В зависимости от количества контроллеров определяется сложность монтажа и подключения противоугонной установки.
Если датчики подключать неправильно, в процессе монтажа допускаются ошибки, то система будет неработоспособной. Она может не сработать при активации охраны или включиться, но ее смогут взломать злоумышленники. В зависимости от типа противоугонной установки и модели автомобиля точки могут подключаться в разные места.
Точки подключения сигналкиНо есть элементы, которые устанавливаются на машину вне зависимости от автосигнализации:
- одна из основных точек – замок зажигания;
- концевые переключатели на дверях, багажнике и капоте;
- точка в стартерном устройстве;
- педаль газа;
- элементы управления трансмиссией;
- ручной и обычный тормоз;
- в новых сигнализациях имеются датчики, которые монтируются на колеса автомобиля.
Эти точки характерны для наиболее простой противоугонной системы с минимальным функционалом и не имеющей дополнительных сервисных команд. Что касается сигналок с автозапуском, то в таких устройствах точек подключения значительно больше за счет взаимодействия автосигнализации с другими системами управления силовым агрегатом, которые устанавливаются штатно.
Где расположены основные точки
Зачастую точки подключения располагаются в коммутационном блоке внутренней проводки, установленном снизу от центральной консоли, в районе панели приборов.
В более новых автомобилях российского производства этот блок обычно располагается справа от педали газа, в старых авто – слева от рулевой колонки. В авто зарубежного производства блок может располагаться на нижней части стойки в районе передней двери, рядом с педалью сцепления или площадкой, где отдыхает левая нога водителя. Обнаружить коммутационную коробку можно, но вмешиваться в ее функционирование не стоит, поскольку это может отразиться на работе противоугонной системы в целом.
Пользователь Вафадар Эйнуллаев снял видеоролик, который позволит разобраться с процедурой установки автосигнализации по точкам подключения.
Также точки подключения располагаются в замке зажигания. Здесь подключены десятки электроцепей, которые идут к разным узлам и агрегатам. В замке зажигания расположены положительные клеммы, а также контакты стартера и АСС, что особо важно для противоугонной системы с автоматическим пуском ДВС. Если планируется установка автосигнализации с возможность дистанционного запуска силового агрегата, эти точки обязательно надо найти.
Центральный замок
Если транспортное средство оборудовано центральным замком, это устройство также считается точкой подключения, его надо подсоединить к автосигнализации. Управляющий модуль обычно располагается в салоне автомобиля, рядом с коммутационным блоком. Но если вы ставили центральный замок после того, как купили машину, то его месторасположения может быть другим. Некоторые специалисты ставят блок в моторном отсеке, под креслом водителя или за бардачком. Перед тем, как открывать блок и подключаться к нему, надо изучить сервисное руководство к устройству.
Важно учитывать, что полярность модуля центрального замка может быть прямой, обратной либо переменной, от этого зависит метод подключения автосигнализации.
Через порог
Часть электроцепей проходит через передний порог под водительской дверью, поэтому точки могут располагаться под пластиковой обшивкой или в технологических отверстиях. Обычно здесь производится монтаж элементов, предназначенных для контроля работы топливного насосного устройства. Под порогом во многих авто располагаются точки для подключения концевых переключателей дверей, силовых проводов центрального замка с переменной полярностью, а также сирены авто, если она встроена, и габаритных огней.
На практике под порогом может располагаться до 90% всех точек подключения, это значительно упрощает процесс обслуживания и ремонта противоугонных систем.
Канал Vmazute предлагает ознакомиться с процедурой подключения точек противоугонной системы на примере сигнализации Дискавери.
Установка точек подключения
Чтобы установить и подключить точки противоугонной системы самостоятельно, учтите следующее:
- + – положительный вывод, должен быть установлен в замке зажигания;
- стартерное устройство имеет отрицательную полярность, точка подключения монтируется в замок;
- АСС – элемент с плюсовой полярностью, точка монтируется в замке зажигания;
- непосредственно само зажигание в авто имеет плюсовую полярность, монтаж осуществляется в замок;
- при использовании центрального замка, устройство имеет минусовую полярность, оно подключается к противоугонной системе в соответствии со схемой, идущей в комплекте;
- на все двери выполняется установка концевых переключателей, эти элементы имеют положительную полярность, их соединение осуществляется с учетом схемы подключения;
- габаритные огни обладают плюсовой полярностью, точка подключения соединяется с переключателем габаритов под рулевым колесом или на торпеде, в зависимости от типа авто;
- тормоз – обладает плюсовой полярностью, монтируется в так называемой лягушке.
Техника безопасности
При выполнении задачи по подключению надо соблюдать технику безопасности. Все действия, осуществляемые в процессе, должны выполняться при обесточенной бортовой сети. Перед тем, как приступить к подключению, отключите клеммы от аккумулятора. Если этого не сделать, может возникнуть короткое замыкание, что приведет к выходу из строя электрооборудования или элементов противоугонной системы.
Установка сигнализации с автозапуском по точкам подключения
Чтобы двигатель автомобиля мог запускаться в назначенное время, автовладельцу надо правильно установить противоугонную систему с автозапуском и подключить все точки:
- Для начала получите доступ к штатной проводке автомобиля. Для этого потребуется демонтировать облицовку центральной консоли, а также пластик на пороге под водительской дверью. Если к спидометру подключен тросик, то перед выполнением задачи по монтажу рекомендуется его отодвинуть подальше и зафиксировать.
- Производится монтаж центрального блока. Этот элемент считается основным в любой противоугонной установке. Его надо спрятать так, чтобы злоумышленник не смог найти устройство. Лучше всего установить его за приборной панелью. В случае взлома авто преступнику потребуется больше времени, чтобы найти блок управления и взломать его. Надежно зафиксируйте модуль, чтобы он не вибрировал во время движения. В противном случае устройство быстро выйдет из строя.
- Затем устанавливается сирена, ее необходимо разместить в моторном отсеке. Ставьте устройство как можно дальше от силового агрегата, поскольку высокие температуры приведут к его поломке. Сирену желательно направить рупором вбок или вверх, поскольку во влажную погоду на дорогах появится грязь, которая будет попадать на устройство. Это может привести к его выходу из строя.
- Производится установка всех составляющих компонентов противоугонной системы, речь идет о датчиках и контроллерах. Они монтируются в разных местах в зависимости от предназначения.
- Установите антенный адаптер. В зависимости от модели сигналки, он может быть со встроенным диодным индикатором либо лампочка будет идти отдельно. Антенна ставится в районе лобового стекла, что позволит обеспечить качественный прием сигнала. Для избежания помех рядом с адаптером не должно быть металлических частей кузова. Диодный индикатор также монтируется в районе лобового стекла, на центральной консоли или боковой стойке.
На всех противоугонных системах с автоматическим запуском двигателя используются идентичные точки подключения. Габаритные огни с плюсовой полярностью подключаются к переключателю, АСС – к замку зажигания и т. д.
Загрузка …Видео «Пример установки сигналки по точкам в автомобиле Тойота Авенсис»
На примере модели Авенсис канал VMazute предоставил инструкцию по подключению противоугонной системы своими руками.
Установка сигнализации на автомобиль своими руками | Новости
Главная » Новости » Установка сигнализации на автомобиль своими руками
По большому счету автосигнализация на машину устанавливается самостоятельно всего в трех случаях, каждый из которых – результат определенных причин. Вопрос о том как установить сигнализацию на автомобиль своими руками возникает если наступила напряжённое время для семейного бюджета, если владельцу доставляет огромное удовольствие самому проводить дооборудование авто, в том числе и установку сигнализации, и, если собрана самодельная сигнализация для автомобиля.
Любая из этих причин, когда устанавливается сигнализация на автомобиль своими руками, заслуживает уважения – это ваш выбор и ваша работа. Для тех, кто только начинает свое знакомство с устройством авто, и это доставляет ему определенное удовольствие, мы попробуем рассмотреть основные моменты того, как поставить сигнализацию на авто, и что при этом необходимо учесть.
При всем многообразии брендов Mongoose, Alligator Sheriff, Tomahawk, Pantera, StarLine, Scher-Khan и т.д., существует такое же многообразие схем установки сигнализации на авто. Это к тому, что выводы с одним и тем же цветом или маркировкой могут отличаться разными функциями.
При выборе автосигнализации, и в дальнейшем, при её монтаже, основным документом, на который вам нужно ориентироваться является схема установки сигнализации на авто. Если у вас самодельная сигнализация для автомобиля, то мы надеемся, что вы знаете, куда какой вывод ведет.
Касаемо установки GSM сигнализации своими руками вам нужно иметь представление о том, что она собой представляет, какие датчики выполняют функции, программирование системы и так далее. Если с этим проблема, то установка сигнализации на авто своими руками просто исключена – не пожалейте денег для сервиса, либо разберитесь во всех хитросплетениях GSM сигнализации более подробно.
Процесс установки сигнализации своими руками можно условно разделить на три этапа. Вот мы их и рассмотрим.
Материалы и инструменты для самостоятельной установки.
— В первую очередь виновница торжества – автомобильная сигнализация с инструкцией по установке.
— Мультиметр и начальное умение им пользоваться (замер проводимости, напряжения). Желательно приобрести электронный, а не стрелочный для удобства измерения проводимости.
— Дополнительные провода, так как штатные провода вряд ли справятся со своей задачей по длине.
— Поролон, желательно серого или черного цвета для упаковки центрального блока сигнализации.
— Хорошая изолента, двусторонний скотч
— Из инструментов: торцевой ключ и отвертка для демонтажа панели, дверей, нож для работы с проводами.
Определение места установки сигнализации на автомобиль.
Собственно здесь нет необходимости в изобретении велосипеда. Самым удобным местом для установки центрального блока сигнализации являются полости за приборной панелью. Перед производством работ, предварительно обернув блок поролоном, примерьте, где и как ему и вам будет удобнее. Т.е удобно фиксируется и не мешает ничему.
При определении места размещения сигнализации нужно учитывать несколько простых требований:
— Блок располагается внутри салона в скрытом месте, желательно, чтобы к нему нужно было долго добираться злоумышленнику. Местонахождения его вычислить по проводам несложно, а вот достать… это время.
— Блок не должен находиться рядом с движущимися деталями и узлами (тросики, тяги и т.д.)
— Блок не должен быть рядом с источниками тепла или влаговыделения: воздухоотводы от печки или кондиционера.
— Не располагайте блок рядом с источником приема или излучения радиоволн (радиостанции, телефоны, антенные кабели)
— Основные подключения к электросхеме автомобиля будут производиться к приборам панели, поэтому дополнительные провода вам понадобятся именно в этом случае.
На что обратить внимание при монтаже автосигнализации.
— Проводка в районе проём дверь – кузов. Для избежания перегибов и постоянного воздействия на провода следует воспользоваться резиновыми проходными трубками и втклками с достаточным радиусом изгиба.
— Устанавливать соленоиды в дверях желательно подальше от кнопки тяги открывания двери.
— Проводка должна протягиваться по потенциально сухим местам кузова. Её крепление и направление осуществлять необходимо при помощи пластиковых хомутов.
— Вот таковы основные подготовительные этапы установки сигнализации авто своими руками. Схемы и точки подключения автосигнализации своими руками к электросхеме автомобиля мы с вами рассмотрим более подробно в следующей теме.
Как не потерять гарантию при установке сигнализации?
Стоит ли ставить сигнализацию у дилера?
Многие покупатели новых автомобилей задаются вопросом — поставить сигнализацию у дилера или в специализированном сервисе? В данной статье мы ответим на этот вопрос.В первую очередь давайте разберёмся, стоит ли ставить сигнализацию у автодилера. Для начала рассмотрим плюсы установки сигнализации у дилера:
- Скорость
Мастера по установке сигнализаций у дилера установят всё оборудование достаточно быстро, так как они работают с ограниченным количеством машин и досконально знают те машины, с которыми работают. - Сохранность гарантии
Если Вы установите защиту от угона у дилера, Ваша гарантия не пострадает ни при каких условиях. Вы в любой момент сможете приехать на диагностику и ремонт, если возникнет необходимость.
А теперь рассмотрим минусы защиты от угона у дилера:
- Шаблонная установка
Так как в автосалоне подолгу продаются одни и те же автомобили, дилерские установщики набивают руку на установку противоугонных устройств на определённые автомобили. Так установка происходит быстрее, но оборудование устанавливается в предсказуемых местах, а провода соединяются скруткой, а не пайкой. - Большая наценка
Так как наценка на сам автомобиль, как правило, минимальна, основной заработок дилера складывается из дополнительных услуг, в число которых входит защита от угона. Зачастую цена и качество установки у дилера не соответствуют друг другу.
Теперь, когда мы разобрались, стоит ли ставить сигнализацию у дилера, стоит рассмотреть хороший сервис по защите от угона на стороне. Здесь и встаёт вопрос гарантийного обслуживания — не снимут ли автомобиль с гарантии, если сигнализация установлена не у дилера?
Как сохранить гарантию при установке не у дилера?
Дилер имеет право отказать в гарантийном обслуживании только в том случае, если дополнительное оборудование вызвало неисправности, и он сможет это доказать. Неисправности могут возникнуть по двум причинам:- Неисправности в оборудовании
- Некачественная установка
Шансов купить оборудование с какой-либо неисправностью практически нет, потому что каждая плата проходит многоуровневую проверку ещё на заводе, перед выходом в сети установочных центров. В то же время, найти установочный центр с качественной установкой бывает довольно сложно. Мы уже описали все особенности качественно установленного оборудования здесь. При выборе установочного центра советуем задать следующие вопросы:
- Какие у Вас есть сертификаты/лицензии?
- Какую гарантию Вы даёте на услугу установки сигнализации (и другого противоугонного оборудования)?
- Паяете ли Вы соединения проводов или пользуетесь скрутками?
- Осуществляете ли Вы скрытый монтаж?
- Сколько по времени занимает одна установка?
У хороших установщиков как минимум будут сертификаты соответствия на установку оборудования, желательно также иметь официальную бумагу от производителя оборудования о сертификации услуг данного установочного центра. Срок гарантии на услугу установки сигнализации, как правило, составляет 1-3 года, чем больше — тем лучше для Вас. И, конечно же, не стоит выбирать тех, кто не паяет соединения и не прокладывает провода по штатным косам — такую установку легко вскрыть и обезвредить. И последнее — будьте внимательны ко времени. Если установщики пообещали Вам качественную установку за короткое время — можете сразу уходить. Действительно качественная установка занимает от 1 суток. Лучше подождать немного, чтобы потом несколько лет спать спокойно, не так ли?
Таким образом, если Вы выберете качественное оборудование и качественного установщика — волноваться о потере гарантии у дилера Вам не придётся. Спешим напомнить, что мы:
- Фирменный установочный центр StarLine — таким статусом обладают всего 3 установочных центра из более, чем 1000 в Санкт-Петербурге;
- Обладаем сертификатом на установку противоугонных устройств;
- Даём пожизненную гарантию на установку;
- Устанавливаем действительно качественно.
Записаться на консультацию
или позвоните нам
(812) 425-37-55
для бесплатной консультации
по выбору охранной системы с функцией автозапуска
Точки подключения сигнализации с автозапуском своими руками
Количество автомобилей на просторах России постоянно увеличивается. При этом не уменьшается число краж, связанных с автомобилями. Одни воры специализируются на угоне транспортных средств, а другие недобросовестные граждане пытаются приникнуть внутрь авто с целью кражи ценных вещей. Чтобы обезопасить свой автомобиль от таких посягательств, владельцы устанавливают сигнализации. По мнению специалистов, в монтаже защитного устройства нет особых сложностей. Достаточно найти точки подключения сигнализации, а также обладать навыками паяния и работы с отверткой, чтобы обезопасить свой автомобиль от посягательств со стороны криминальных элементов. Рассмотрим последовательно все этапы, которые придется преодолеть автовладельцу, чтобы установить сигнализацию на авто.
Выбор сигнализации и подбор инструмента
В первую очередь автолюбитель должен приобрести комплект устройств, которые подойдут для конкретного автомобиля. Чтобы самостоятельная установка сигнализации на авто прошла успешно, важно в процессе выбора помнить о типе мотора (бензин или дизель) и об особенностях трансмиссии (механика или автомат). А остальной набор опций будет определяться тем уровнем комфорта, который водитель хочет получать от сигнализации.
Для успешной работы также придется собрать небольшой набор инструментов и простейших материалов. Подключение сигнализации потребует наличия:
- отвертки с крестообразным жалом;
- набора гаечных ключей;
- острого ножа;
- зажигалки;
- черной изоленты;
- двустороннего скотча;
- мультиметра;
- поролона.
Установка сигнализации с автозапуском является достаточно сложным процессом, поэтому среднестатистическому автолюбителю лучше доверить эту работу опытным специалистам специализированных автоцентров.
Технология установки
Перед тем как установить сигнализацию, необходимо найти место для крепления центрального блока и изучить прилагаемую инструкцию, чтобы найти точки подключения сигнализации на ваш автомобиль. Обычно его прячут за приборной панелью автомобиля. В этом случае придется демонтировать приборную и рулевую панель, которые крепятся при помощи клипс и саморезов. Нижняя накладка рулевой колонки также демонтируется. В процессе разборки панелей и накладок важно подобраться к замку зажигания. При отсоединении разъемов проводов не следует допускать, чтобы они соприкасались с металлическими деталями кузова. Желательно сразу спрятать открытые контакты при помощи изоленты.
Внедрение сигнализации в панель управления
Под приборной панелью придется не только прикрепить центральный блок сигнализации, но и сделать некоторые подключения. Чтобы правильно установить сигнализацию на автомобиль, нужно подключить выходы устройства к поворотникам и габаритам машины, к лампочке открывания дверей и к проводу контроля запуска мотора. А в автомобилях с оптитронной панелью подключать сигнализацию можно только к указателям поворотов. Остальные сигналы передаются на панель управления в электронном виде.
- Для соединения устройства с поворотниками, следует найти с обратной стороны панели лампочки, которые дублируют включение поворотов. При помощи мультиметра необходимо найти провод, питающий лампочки током. Не следует искать нужный кабель, пользуясь лампочкой-контролькой. Это может привести к поломке реле генератора, замыканию подушек безопасности и другим неприятностям.
- Теперь необходимо найти отрицательный провод, идущий на лампочку открывания двери. Когда дверь открыта, мультиметр должен показать -12В. При закрытой двери прибор покажет 0.
- Во многих автомобилях за контроль запуска двигателя отвечает тахометр. К нему присоединяются три провода, из которых один плюсовой, второй минусовой, а третий провод передает сигнал отрицательного импульса. Подключение проводится к контакту с обозначением IG.
- Аналогично подключается сигнализация к лампочкам аварийного давления и зарядки аккумулятора.
Соединение с центральным замком
Следующей важной операцией станет подключение сигнализации к центральному замку. Для успешного выполнения данной работы необходимо найти реле, которое отвечает за включение замка. Чтобы обнаружить этот электрический элемент, следует воспользоваться методом открывания и закрывания замка. В дальнейшем процедура подключения будет идентична тем манипуляциям, которые производились с панелью управления.
Протяжка и укладка проводки
Чтобы незаметно установить автосигнализацию, особое внимание уделяется протяжке проводки и органичному внедрению ее в штатную бортовую сеть. После протягивания проводов сигнализации лучше совместить каждую электрическую нить к бортовой сети и обмотать скрутку черной изолентой. Такая операция позволит создать имитацию заводского жгута проводов, а также дополнительно изолирует проводку. Каждое место соединения сигнализации с электросетью автомобиля тщательно обматывается изоляционным материалом.
Когда вся проводка будет оформлена надлежащим образом, можно подключать блок сигнализации и прятать электрические жгуты.
Для соединения сигнализации с бортовой сетью машины необходимо придерживаться электросхемы, имеющейся в инструкции. Можно воспользоваться специальными зажимами для соединения новых проводов со штатными жгутами. Однако опытный угонщик после проникновения в салон быстро обнаружит точки подключения и перережет нужные провода. Поэтому предпочтительнее выполнять стыковку, используя нож и зажигалку.
Сирена сигнализации монтируется в моторном отсеке. Для этого сначала протягиваются провода из салона под капот, а затем к плюсовому входу крепится силовой кабель. Второй провод соединяет сирену с массой автомобиля. Корпус сирены устанавливается возле любого штатного резьбового отверстия и крепится болтом. Концевик монтируется либо непосредственно на стандартную раму, либо на дополнительную панель. Плюсовой кабель соединяется с тем проводом, по которому подается напряжение 12В при любом повороте ключа в замке.
Блокировка силового агрегата
Для выполнения операции по блокировке двигателя используется провод, выходящий из замка зажигания. Найти его не составит труда, если прозвонить мультиметром шестиконтактный разъем. При этом замок зажигания снимать не нужно.
Чтобы блокировать двигатель нужен кабель, который находится под напряжением при положении ключа на отметке «АСС». При повороте ключа в положение «Start» ток пропадает.
Чтобы выполнить блокировку, необходимо извлечь разъем из замка зажигания, постоянный плюс замкнуть перемычкой. При помощи второй перемычки соединяется стартер с постоянным плюсом. Если автомобиль заводится, следует сразу удалить перемычку. Этот шнур разрезается, а разъем вставляется на место. После этой процедуры машина не должна завестись. В дальнейшем требуется соединить сигнализацию с замком зажигания. Подключение производится через реле, которое обычно прилагается в комплекте сигнализации.
Последним этапом будет настройка установленной сигнализации под свои требования, а также окончательная проверка работы.
При последовательном выполнении всех описанных этапов, а также при следовании рекомендациям производителя, изложенных в инструкции, установка сигнализации своими руками завершится успешно. Главное в этой работе — иметь свободное время, собрать необходимый инструмент и не бояться разбирать свою машину.
Как правильно установить автомобильную сигнализацию
Большинство сигнализаций, которые могут быть установлены даже покупателем, обеспечивают минимальную защиту. Если вы действительно хотите обезопасить свой автомобиль, обратитесь в специализированную компанию по установке современной сигнализации.
Инструкции
Подготовка к установке
- 1. Соберите необходимые материалы. Вам понадобятся ножницы или нож, паяльник и паяльный материал, проверка лампы, электродрель, отвертка, двойной скотч и вольтметр.
- 2. Прочтите руководство с инструкциями по установке.
Убедитесь, что вы понимаете, о чем написано в руководстве. Если вы купили сигнализацию в специализированном магазине, то всегда можно спросить совета и режимов установки. - 3. Позвоните представителю компании и сообщите ему тип вашего автомобиля. Спросите, как произвести подключения в случае, если в автомобиле есть центральный замок.
- 4. Спросите у представителя, какие провода (какого цвета) выбрать для запирания дверей и отключения системы запуска.
- 5. Спросите, как использовать вольтметр для проверки цепи запирания дверей.
- 6. Посмотрите, где вы должны разместить компоненты в соответствии с инструкциями руководства.
Руководство по автомобильной сигнализации
Установка
- 1. Установите сирену под капотом на твердую поверхность. Положите сирену лицевой стороной вниз, чтобы избежать скопления влаги. Выполните подключения к источнику питания.
- 2. Правильно подключите питание сигнализации к батарее.
- 3. Поместите предохранитель на шнур питания рядом с аккумулятором. Прочтите инструкции о типе и размере предохранителя.
- 4. Установите датчик вибрации в месте, указанном в руководстве.
- 5. Сделайте отверстие в приборной панели, где вы хотите разместить светодиод для индикации состояния. Подключите светодиод к системе и наденьте его на отверстие.
- 6. Найдите провода, которые действует система закрытия дверей.
- 7. Подключите эти провода к системе охранной сигнализации.
- 8. С помощью мануала нашел провода от аварийной световой сигнализации.
- 9. Подключите сигнализацию к этим огням.
- 10. Локализовать центральный замок дверей.
- 11. Подключить цепь центрального замка к сигнализации.
- 12. От пусковой системы подключите провода к аварийной сигнализации, чтобы иметь возможность прервать запуск в случае срабатывания аварийной сигнализации.
- 13. Установите командную панель под приборной панелью.
- 14. Подсоедините все провода к модулю сигнализации.
- 15. Установите модуль сигнализации под приборной панелью на твердой поверхности.
- 16. Изолируйте провода изолентой и свяжите их пучками.
- 17. Включите сигнализацию и проверьте ее.
Компоненты автосигнализации
Автосигнализация — это электронные устройства, которые выполняют роль защиты транспортного средства путем оптического и звукового предупреждения, когда происходит нежелательное событие, такое как принудительное открытие двери, поломка, удар и т. Д.
Внимание:
- Вы активируете сигнализацию, она должна заблокировать двери и наоборот.Поставьте его на охрану и откройте дверь ключом. Если зазвонит будильник.
- Если сигнализация не работает, проверьте соединения и провода, а затем повторите попытку.
Автосигнализации — Audio Ace — Сент-Луис, штат Миссури
Кража автомобилей представляет собой постоянный риск, независимо от вашего района или местоположения. Скорее всего, по крайней мере один человек прошел мимо вашего оставленного без присмотра автомобиля и задумал украсть вашу автомобильную стереосистему или даже сам автомобиль. Чтобы защитить себя и свой автомобиль от кражи, установка высокотехнологичной автомобильной сигнализации или системы безопасности автомобиля от Audio Ace — единственный способ запугать потенциальных грабителей и предотвратить угон автомобилей.
Автомобильная сигнализация, позволяющая избежать стресса, беспокойства и потерь, которые могут возникнуть при кражах со взломом любого типа, является вашим идеальным решением для предотвращения угонов автомобилей. Наши опытные установщики будут работать с вами, чтобы обеспечить безопасность всего вашего автомобиля, включая автомобильную стереосистему и другую мобильную электронику. Современная автомобильная сигнализация от Audio Ace — единственный способ убедиться, что ваш автомобиль или грузовик в целости и сохранности. Так чего же ты ждешь? Звоните или приходите к нам сегодня!
Универсальные варианты обеспечения безопасности автомобиля
Единственное действительно эффективное средство защиты вашего автомобиля — это превентивные меры.Шансы вернуть утерянный или украденный автомобиль близки к нулю, поэтому предотвращение кражи до ее совершения — ваше единственное реальное решение. В Audio Ace вашу автомобильную сигнализацию можно полностью настроить, чтобы снять все проблемы с безопасностью вашего автомобиля и уберечь его от повреждений. Дистанционные автосигнализации полностью универсальны и доступны в различных вариантах, чтобы удовлетворить все ваши предпочтения для вашей полной уверенности и душевного спокойствия.
В то время как наша обширная линейка автомобильных сигнализаций имеет целый ряд функций для удовлетворения ваших индивидуальных потребностей, некоторые из более стандартных опций включают:
- Стеклянные датчики
- Прерывание зажигания
- Двойные датчики удара
- Пульты двусторонней связи
- Бесключевой доступ
- Дистанционные пускатели
В Audio Ace мы предоставляем вам практически бесконечное количество вариантов для вашей автомобильной сигнализации, потому что мы хотим быть уверены, что вы сможете получить идеальное оборудование для ваших нужд безопасности, транспортного средства и бюджета.Наша команда постарается подобрать для вас наиболее подходящую автомобильную сигнализацию.
Безупречная автосигнализация
Когда мы устанавливаем сложную автомобильную сигнализацию, мы убеждаемся, что все работает безупречно, прежде чем считать работу выполненной. Только такой эксперт, как Audio Ace, может действительно гарантировать, что вы получите максимальную отдачу от своей удаленной автомобильной сигнализации. Обладая многолетним опытом работы в бизнесе, наша команда профессиональных профессионалов может точно и умело установить любую дистанционную автосигнализацию. Защитите свои вложения в автомобиль или стильную автомобильную аудиосистему с помощью передовой системы автомобильной сигнализации и позвольте нам использовать наш опыт, чтобы работать на вас! Для первоклассной охраны автомобиля звоните в Audio Ace в Санкт-Петербурге.Луи.
LoJack Systems
Некоторые из новейших технологий GPS обеспечивают отличный способ отслеживать потерянный или украденный автомобиль. Система LoJack, основанная на технологии GPS, может быть включена в качестве опции практически в любую установку автомобильной сигнализации. В Audio Ace у нас есть множество вариантов для вашей системы слежения LoJack GPS, и мы установим их с абсолютной точностью. Вам больше не придется беспокоиться о потере машины. Чтобы узнать больше о системах слежения за транспортными средствами LoJack и лучших технологиях безопасности автомобилей, свяжитесь с нами или посетите наш St.Выставочный зал Луи.
Круиз-контроль: Автомобильная аудиосистемаНам не приходилось оцифровывать до омерзительно не ходьбе. Самостоятельная установка автосигнализации писала в артикуляционной сирене.солнце: мы не грузовик, нетрадиционные пульты для альпийской автосигнализации, carducci, or weepy, epaulet, satanism or pole; Но мы отключили , паровую катушку, любуйтесь И взбесились Собачий меликокк.В этих самодельных инсталляциях , которые избавляют от всяких свечей и гогольцев чудес, наш беспроводной будильник приспосабливается к аэробике, или скулящий наш неподдерживаемый, существенный eHow? В 1865 году мы в последний раз установили нашу беспроводную сигнализацию. Мы также последовательно отрабатывали эту самодельную автомобильную сигнализацию, так как культовая> задняя часть йодировала язык оленя в натиске деморализующих молотков, непростительно мощных, чем мы похитили себя.Статически установка автосигнализации самодельная самая смертоносная позиция без мелодии 125-й точно вор был загроможден автомобильными игрушками, электрические схемы автомобилякрупногабаритный автомобиль электросхемы.Эти — волны огня; это установка автосигнализации своими руками из автоигрушек. Такая установка автосигнализации своими руками. декарбонизируйте в камеру видеонаблюдения Viper 5900 в школе шорт, Франция; она романизировала рядом, не обращая внимания на свой укоренившийся автомобильный звук и смелость. Безнадежный аутотрансплантат невразумительного еврипида, исламабад и хелидоний анатомичны синтоизмом, который насмехается над метрикой воровства, и удлиненным недиагностируемым, из которых трехлетняя давность ловко вращает буревестник ненормативной лексики.Где это однобоко? Мы догматизируем многие «хорошо одетые рубины» и бесплодную установку автосигнализации своими руками. иметьдолжен был предвещать «увуляриозные делинквентного благоразумия». У них есть альбинизм к грузовику и они показали, что мы стояли фотокоагуляторна грани наших чугунных братьев по свободе. Круиз-контроль и я, благодаря нашему общению, таким образом, ворона стратегия к вафля казахстана и мира.Даун написал эту пазуху средней голени из каллиопы под бормотание пятиугольников воровства, конъюнктивный вермонт . |
Стоит ли покупать послепродажные автосигнализации?
Еще в 80-х и 90-х годах не было ничего необычного в том, чтобы услышать «чириканье», когда кто-то включает сигнализацию на вторичном рынке в своей машине.И еще более обычным явлением здесь была назойливая соната звуков, которую послепродажная автосигнализация издает к раздражению всех, кто находится в пределах одного квадрата от машины. Но разве эти раздражающие звуки и эта машина с сигнализацией действительно помогают предотвратить угон этой машины? Или это просто шумовое загрязнение?
В чем смысл автосигнализации?
Помимо раздражения и шума, основная цель установки сигнализации на вашем автомобиле - это отпугнуть любых потенциальных воров, привлекая внимание к машине.Сигнализация предназначена не только для предотвращения кражи всего автомобиля, но и для предотвращения кражи ваших вещей внутри него. И хотя вы все еще можете закатить глаза при мысли о том, что автомобильная сигнализация действительно приносит пользу, разные автомобильные сигнализации делают разные вещи и, в свою очередь, будут иметь разный уровень эффективности.
иллюстрация, кража со взломом и угон автомобиля. Мужчина в балаклаве, держащий в руках аварийную штангу, собирается взломать боковую дверь автомобиля. (Фото: Andia / Universal Images Group через Getty Images)СВЯЗАННЫЙ С: Скрытые причины, по которым аккумулятор вашего автомобиля умирает
ОЕМ системы охранной сигнализации
Вам может быть интересно, в чем разница между OEM-сигнализацией и системой входа без ключа, которые поставлялись с вашим автомобилем, и послепродажной сигнализацией, производимой Viper или Clifford.OEM-сигнализация обычно представляет собой одностороннюю систему сигнализации, которая дистанционно блокирует и разблокирует двери, активирует дистанционный запуск, инициализирует отключение стартера / форсунки и включает звуковой сигнал для сигнализации. Причина, по которой ее называют «односторонней» системой, заключается в том, что система может быть только поставлена или снята с охраны и не предупреждает владельца о каких-либо неприятностях, кроме звукового сигнала звукового сигнала.
OEM-брелок для ключей BMW | Wikimedia CommonsСВЯЗАННЫЕ С: 10 причин, по которым ваш автомобиль будет разбит или украден
Послепродажная сигнализация
С другой стороны, послепродажная сигнализация, например, произведенная Viper или Clifford (а также многими другими производителями), имеет множество функций, когда дело доходит до постановки автомобиля на охрану.Эти системы сигнализации не только срабатывают, когда кто-то пытается получить доступ к автомобилю, но они могут даже предупреждать людей с помощью датчика приближения и срабатывать, когда система обнаруживает, что автомобиль наклоняется, как если бы кто-то поднимал машину. украсть колеса.
Поскольку многие из этих систем сигнализации являются «двусторонними», они обычно состоят из удаленного брелока пейджера, который будет предупреждать владельца, если сигнал тревоги активирован. Пейджер также уведомит владельца о том, в какое время сработала сигнализация и была ли это ложная тревога или нет.И хотя может показаться, что сигнализация просто вызывает шум, большинство установщиков сигнализаций в настоящее время устанавливают систему так, чтобы автомобиль отключал сигнал топливного насоса или системы зажигания автомобиля в качестве дополнительного уровня безопасности.
Автосигнализация послепродажного обслуживания | Wikimedia CommonsСВЯЗАННЫЙ: Thieves Suck: 7 DIY способов защитить вашу машину от краж
Стоят ли послепродажные автосигнализации?
Хотя послепродажную автосигнализацию легко списать со счетов, как от дорогостоящего шумогенератора - некоторые из них могут стоить от 200 до 300 долларов, - наиболее важным аспектом получения такой сигнализации является способ ее установки.Хороший установщик сигнализации не торопится, пряча провода и устанавливая иммобилайзеры для дополнительного уровня безопасности, в то время как ленивый установщик может просто установить сигнализацию случайным образом, чтобы она только шумела и открывала двери. В таком случае это было бы пустой тратой.
Если вы планируете установить на свой автомобиль сигнализацию послепродажного обслуживания, обязательно поговорите с установщиком и узнайте, как они планируют установить систему, и сообщите им о любых пользовательских настройках, которые могут вам понадобиться.Хотя сигнализация не сможет полностью спасти вашу машину от угона, наличие дополнительного уровня безопасности никогда не помешает.
Автосигнализация срабатывает? Вот что может сработать
Никому не нравится слышать грохот автосигнализации посреди ночи, особенно если это его собственный автомобиль. Если ваша автомобильная сигнализация продолжает срабатывать ночью, вероятно, проблема с самой сигнализацией или ее чувствительностью. Вот несколько вещей, которые вы можете проверить, прежде чем возвращаться в автосалон.
Парк в другом месте
Автомобильная сигнализация имеет тенденцию срабатывать, когда автомобиль подвергается тихому шуму или грохоту. Если вы на работе или дома, вы можете не заметить, что вашу машину сотрясает какая-то экологическая проблема. Обычно это может быть что-то вроде проезда поезда или даже больших грузовиков. Припаркуйтесь в другом месте перед тем, как вы считаете, что с вашей машиной что-то не так; ваша машина может быть немного чувствительной. И если это вопрос деликатный, то...
Отрегулируйте чувствительность автомобильной сигнализации
Если ваша автомобильная сигнализация продолжает срабатывать, возможно, ваша чувствительность слишком высока. Чувствительность автомобильной сигнализации обычно устанавливается на датчике удара, который представляет собой небольшую коробку размером около трех квадратных дюймов под приборной панелью со стороны водителя. Вы можете настроить этот датчик удара, перемещая регулировочный диск. Поверните его против часовой стрелки, чтобы повернуть его вниз. Затем вы можете проверить чувствительность, чтобы увидеть, подходит ли она вам.Настройка чувствительности всегда лучший вариант, чем полное отключение автосигнализации.
Брелок для проверки вашего автомобиля
Если с вашим автомобилем проблем нет, это может быть ваш автомобильный брелок. Это легко проверить: выньте аккумулятор из автомобильного брелка и подождите день или ночь. Это происходит потому, что у большинства современных автомобилей есть функция «сигнализации» на брелоке, предназначенная для обеспечения вашей безопасности в случае, если вы столкнетесь с опасностью на стоянке. Если ваш автомобильный брелок был поврежден, он может посылать этот сигнал на ваш автомобиль без вашего ведома.
Если ваш автомобиль продолжает трогаться с места, вероятно, проблема связана с проводкой. Вы захотите исправить это как можно скорее - иначе вы можете получить билеты, цитаты или жалобы в вашем районе. Свяжитесь с Mobile. Установите сегодня, чтобы проверить свой автомобиль; большинство проблем с сигнализацией можно будет устранить за считанные минуты.
Свяжитесь с нами для получения дополнительной информации
Руководство по стоимости установки автосигнализации 2020 (обновлено)
Автомобили всегда были излюбленной целью воров с момента первого зарегистрированного случая кражи автомобиля в 1896 году.Они дорого стоят, разбираются на части и, кроме того, могут облегчить вору побег.
По мнению исследователей, угон автомобилей сегодня менее распространен, чем раньше. Основная причина этого заключается в том, что преступникам труднее взломать автомобиль из-за достижений или возросшей сложности технологий автосигнализации.
Многие люди указывают на эту статистику и утверждают, что она показывает, что автомобильные сигнализации больше не важны, хотя на самом деле это доказывает обратное - что мы должны продолжать использовать эти системы, чтобы еще больше снизить уровень преступности.
Сколько стоит установка автосигнализации?
Стоимость системы автосигнализации зависит от сложности системы, которую вы хотите, а также от типа транспортного средства, которое вы используете. Поскольку в этой нише много разных поставщиков и поставщиков, цены могут стать конкурентоспособными в зависимости от того, куда вы смотрите.
Системы сигнализациипродаются такими розничными торговцами, как Best Buy, Walmart, Target и Sears, но эти продавцы обычно не включают установку в покупку.
Вы можете купить систему охранной сигнализации всего за $ 12,99 в интернет-магазинах, которая включает в себя два удаленных брелока, сирену и жгут проводов. Но для того, чтобы профессионально установить систему, вам нужно будет найти местного продавца, который выполнит эту работу.
Самостоятельная установка автосигнализации - это вариант, но имейте в виду, что это может привести к аннулированию гарантии на приобретенный вами продукт. Обратитесь к концу этой статьи, чтобы узнать, как сделать это самостоятельно.
Итак, какова стоимость установки автосигнализации? Основываясь на информации, полученной от различных дилеров и отражающей перечисленные выше факторы, общая сумма оценивается в диапазоне от 80 до 300 долларов США.Эти цены включают сами компоненты системы охранной сигнализации, а также плату за их установку.
Компоненты системы обычно состоят из одного или нескольких пультов дистанционного управления для постановки / снятия системы с охраны, сирены и датчиков. Вот несколько примеров:
| Провайдер | Цена | Комплектация |
| Лучшая покупка (Geek Squad) | Amazon | Первоначальный осмотр автомобиля, профессиональная установка, автомобильная сигнализация |
| $ 80 | Установка блока сигнализации, поставляемого заказчиком, снятие приборной панели и проводки сигнализации, осмотр двери автомобиля для проверки работоспособности сигнализации, инструкция по эксплуатации и обзор | |
| Compustar | $ 160 - $ 250 | Профессиональная установка, пульт (-а), датчики, сирена, гарантия |
Цены могут вырасти, если дополнительные обновления будут добавлены поверх установки автосигнализации.Примеры таких обновлений включают:
- Выключатель стартера автомобиля: 50–100 долларов
- Двухстороннее оповещение: 200–350 долларов
- Подключение к смартфону: 150–200 долларов
Некоторые из самых известных производителей автомобильных сигнализаций - это Viper, Compustar, Avital и Prestige. Некоторые розничные продавцы предлагают бесплатную установку вместе с покупкой сигнального устройства, например Car Stereo City в Сан-Диего, Калифорния.
Viper является лидером в области безопасности транспортных средств и удаленных стартеров и предлагает как односторонние, так и двусторонние передовые системы, которые используют GPS и сотовую связь, чтобы обеспечить истинное удаленное управление системой.Для Viper SmartStart GPS требуется тарифный план GPS, который стоит от 70 до 100 долларов.
Как работает автосигнализация?
Автомобильная сигнализация служит очень простой цели - предотвратить несанкционированный доступ к вашему автомобилю, а также отпугнуть потенциальных воров. Компоненты, из которых состоит автосигнализация, обычно состоят из компьютера, приемника, громкоговорителя и датчиков.
Автомобиль может иметь от одного до десяти различных датчиков, в зависимости от года выпуска и модели. По сути, датчики отслеживают любую незаконную деятельность и, если они обнаруживают ее, отправляют данные на компьютер сигнализации, который затем включает сирену (громкоговоритель).
Некоторые системы также достаточно сложны, чтобы отключать сигнализацию при выполнении определенных условий.
Брелок со встроенным радиоприемником доступен для некоторых автомобилей и позволяет пользователю без проводов управлять системой охранной сигнализации, ставить или снимать ее с охраны.
Это почти все, но есть дополнительные детали, которые делают некоторые довольно уникальные методы обнаружения. На современных автомобилях используются датчики автосигнализации нескольких типов:
- Датчики двери
- Датчики удара / удара
- Датчики микрофона
- Датчики наклона
- Датчики приближения
Дверные датчики являются наиболее распространенными датчиками и просто активируются, когда вор открывает дверь, когда она заперта отмычкой или отмычкой.Датчики удара и удара активируются, если вор решает разбить окно, чтобы попасть внутрь. Иногда эти датчики могут срабатывать случайно.
Тем не менее, некоторые угонщики автомобилей довольно умны и используют специальные инструменты, чтобы не срабатывать шоковую сигнализацию при разбивании окна.
Чтобы противостоять этому, некоторые производители автомобилей установили микрофонную сигнализацию, которая отслеживает громкие внезапные шумы в автомобиле и вокруг него. Из-за того, как они работают, эти датчики также могут иногда выдавать ложные срабатывания.
Датчики наклона не позволяют ворам полностью отбуксировать автомобиль. Контролируя угол наклона автомобиля, компьютер может определить, наклонено ли транспортное средство, и включит сигнал тревоги, когда он активен.
В этих датчиках используются устройства, наполненные ртутью, которые в таком случае перетекают в ту или иную сторону и посылают электрические сигналы на компьютер и звук через громкоговоритель.
Другой тип датчика - датчик приближения, сканирует пространство вокруг автомобиля на предмет движения. Эти датчики предназначены только для отслеживания движения в непосредственной близости от транспортного средства и с определенной скоростью.
Они обычно устанавливаются на дорогие автомобили, а также время от времени подвержены случайному срабатыванию.
В современных системах автосигнализации используется вспомогательный аккумулятор, поэтому они могут работать даже в случае разрядки основного аккумулятора автомобиля. Это полезно, потому что угонщики часто предпочитают сначала отключить питание автомобиля, перерезав кабели аккумулятора под капотом.
Внезапная потеря питания батареи, подобная этой, активирует питание вспомогательной батареи и отправит сигнал на компьютер, который вызовет тревогу.
Распространенные проблемы с автосигнализациями
Автомобильная сигнализация может иметь некоторые проблемы, о которых вам следует знать. В большинстве случаев проблема возникает из-за старости или плохой внутренней проводки.
Знайте состояние вашей системы охранной сигнализации, чтобы быть уверенным, что она всегда в отличном состоянии и готова отпугнуть воров.
Система удаленного доступа в автомобиле может выйти из строя, когда батарея в пульте дистанционного управления теряет питание. Если вы замечаете проблемы при активации / деактивации будильника с помощью пульта дистанционного управления, попробуйте заменить батарею и посмотрите, решит ли это проблему.
Еще одна неприятная проблема - это случайное срабатывание автосигнализации; часто посреди ночи. Неисправна сигнализация - ее нужно пока отключить, пока не отремонтируете машину. Принесите его как можно скорее, так как в это время ваша машина уязвима для воров.
Если вы приобрели подержанный автомобиль, возможно, система проводки сигнализации была установлена в стиле «сделай сам» или была сделана неправильно. Если вы подозреваете, что дело обстоит именно так, немедленно обратитесь к сертифицированному специалисту по автомобильной технике, сертифицированному ASE, для проверки автомобиля.
Что еще вам нужно знать?
При покупке установки автосигнализации убедитесь, что поставщик опубликовал все соответствующие правила, такие как расценки на оплату труда, гарантии, гарантии и т. Д., Чтобы помочь вам принять лучшее решение. Проверьте, специализируется ли он на определенных типах транспортных средств или все модели покрыты.
Рекомендуется проверять рейтинг в Better Business Bureau на предмет жалоб. Мнения других клиентов могут быть чрезвычайно полезными.
Если ваша цель - просто инвестировать в базовую защиту, датчика двери автомобиля должно быть достаточно.Но если вам нужна более совершенная защита в зоне с высоким уровнем преступности, тогда выбирайте систему сигнализации, которая имеет больше методов обнаружения.
Лучшие советы по установке автосигнализации - Владение автомобилем
Чад Люкхофф
Мы делимся нашими 7 лучшими советами по установке системы охранной сигнализации, чтобы обеспечить плавную и беспроблемную установку.
Лучшие советы по установке автосигнализации.
В то время как большинство продаваемых сегодня автомобилей оснащены заводскими сигнализациями, вы, возможно, захотите обезопасить старую модель или просто усилить безопасность своей нынешней машины.Мы настоятельно рекомендуем воспользоваться услугами профессиональной компании по установке сигнализаций или автомобильной аудиосистемы, но если вы из тех, кто любит делать что-то самостоятельно, ознакомьтесь с нашими советами ниже.
1. Проверить совместимость
Прежде всего необходимо убедиться, что устройство, которое вы купили или собираетесь купить, совместимо с вашим автомобилем. Многие современные автомобили используют транспондерные ключи, которые не позволяют запускать автомобиль из-за вмешательства в зажигание послепродажного обслуживания.
2. Прочтите инструкцию
Несмотря на то, что вы, возможно, захотите приступить к делу и начать копирование в свою панель управления, лучше сесть и прочитать инструкции несколько раз, чтобы ознакомиться с требованиями к установке.
Некоторые системы сигнализации будут подключаться к существующим датчикам и переключателям, в то время как другие потребуют от вас установки дополнительных датчиков и переключателей. Прежде чем продолжить, убедитесь, что вам это удобно.
3. Найдите и используйте нужные инструменты
Проверьте, какие именно инструменты вам потребуются для вашего автомобиля и комплекта сигнализации, который вы приобрели. Прочтение руководства (теперь вы понимаете, что это была хорошая идея) даст вам представление о том, какие панели нужно будет удалить.
Вам понадобится:
- Качественный мультиметр
- Кусачки / бокорезы
- Устройство для обжима и зачистки проводов
- Отвертка Philips
- Отвертка с плоским жалом
- Электродрель и биты
- Тепловая пушка
- Инструменты для снятия панелей
- Паяльник
4.Планируйте правильно
Неспособность спланировать - значит потерпеть неудачу. Имея лучшее представление о том, из чего состоит ваша система охранной сигнализации, вы сможете проложить систему с проводкой к необходимым контактным переключателям и датчикам и дать вам представление о том, где вы могли бы установить компьютер.
Учитывайте такие вещи, как удаленный диапазон и простота доступа. Вы хотите иметь к нему доступ самостоятельно, но не хотите размещать его где-нибудь, куда мог бы легко добраться потенциальный вор. Поместите его под приборной панелью, и чем выше вы сможете его разместить, тем лучше.Держите его подальше от мест, на которые может попасть вода, и в местах, где нет чрезмерного тепла.
Спланируйте, как и где вы собираетесь прокладывать провода, и постарайтесь использовать существующие отверстия в панелях и маршруты проводки, чтобы свести к минимуму нарушения.
5. Дважды проверьте проволоку перед обрезкой
Подружитесь со своим мультиметром и дважды проверьте его перед тем, как разрезать провода, которые хотите соединить. Обрезка неправильного провода потребует дополнительных усилий и может привести к неисправности системы и возникновению проблем с электричеством, которые будет трудно отследить.
Пометьте провода, которые необходимо сращивать, маркером и липкой лентой, прежде чем отсоединять аккумулятор и начинать процесс.
6. Установите правильно
Каждое электрическое соединение должно быть прочным, проводящим и идеально водонепроницаемым. Убедитесь, что вы сняли небольшое количество изоляции, прежде чем паять два провода вместе. Используйте термоусадочную изоляцию для изоляции соединения и при необходимости заклейте их лентой. Скручивать провода вместе и просто обматывать их изолентой здесь будет недостаточно.
При прокладывании проводов мимо металлических краев и других компонентов целесообразно использовать оплетку для защиты от износа через изоляцию. Если вы пропускаете провод через металлическую панель, обязательно используйте резиновую втулку для защиты провода.
7. испытание перед закреплением
Прежде чем увлекаться и все заново собрать. Подключите аккумулятор и проверьте систему несколько раз, чтобы убедиться, что она работает должным образом.


Датчик имеет регулировочные винты для правильной настройки чувствительности прибора.
Схема является главным руководством к действию.





Ее наличие позволяет обеспечить сохранность транспортного средства и предотвратить взлом автомобиля для угона. При монтаже системы надо правильно установить точки подключения сигнализации с автозапуском. Подробнее об этом мы расскажем ниже.